嘉峪关市产品质量计量和特种设备检验检测中心2021年度部门决算信息公开
嘉峪关市产品质量计量和特种设备检验检测中心2021年度部门决算信息公开
目录
第一部分部门概况
一、部门职责
二、机构设置
第二部分2021年度部门决算表
一、收入支出决算总表
二、收入决算表
三、支出决算表
四、财政拨款收入支出决算总表
五、一般公共预算财政拨款支出决算表
六、一般公共预算财政拨款基本支出决算明细表
七、政府性基金预算财政拨款收入支出决算表
八、国有资本经营预算财政拨款支出决算表
九、财政拨款“三公”经费支出决算表
第三部分2021年度部门决算情况说明
一、收入支出决算总体情况说明
二、收入决算情况说明
三、支出决算情况说明
四、财政拨款收入支出决算总体情况说明
五、一般公共预算财政拨款支出决算情况说明
六、一般公共预算财政拨款基本支出决算情况说明
七、机关运行经费支出情况说明
八、政府采购支出情况说明
九、国有资产占用情况说明
十、政府性基金预算财政拨款收支决算情况说明
十一、国有资本经营预算财政拨款支出情况说明
十二、财政拨款“三公”经费支出决算情况说明
第四部分预算绩效情况说明
第五部分名词解释
第一部分
嘉峪关市产品质量计量和特种设备检验检测中心概况
一、部门职责
嘉峪关市产品质量计量和特种设备检验检测中心是根据嘉机编发[2015]1号文件新设立的具有独立法人资格的全额拨款事业单位,是市场监督管理局直属的事业单位。其主要职责是:(1)承担省质量技术监督局下达的产品质量监督抽查、日常和定期监督检验任务;协助相关科室分析产品质量不合格的原因和产品质量的风险评估;承接政府、组织及个人的各类产品质量委托检验;开展新产品鉴定等评价性检验;参与生产许可证审查,参与制定全局质检实验室建设规划,协助市局搞好质检实验室建设及培训检验技术人员等工作;帮助企业建立健全质量检验制度、使用、维护全市最高社会公用计量标准,组织开展量值传递和计量值统一;承担全市用于贸易协定结算 、医疗卫生、安全防护、环境保护方面计量器具的强制检定工作任务,为全市其他政府职能部门依法行政提供计量技术保障。(2)负责全市特种设备(包括锅炉、压力容器、压力管道、电梯、起重机械、游乐设施、客运索道、厂内机动车辆等8类特种设备)的制造、安装、改造、维修等的监督检验;负责在用的特种设备的定期检验;开展在用的特种设备的无损检测;负责对特种设备检验检测专业人员进行安全技术培训;定期和上级特种设备安全监察机构通报批评特种设备检验状况,及时反映可能存在的有关特种设备的违法违规行为和重大安全隐患;承办上级交办的其他工作。
二、机构设置
1.机构设置情况:嘉峪关市产品质量计量和特种设备检验检测中心隶属于嘉峪关市市场监督管理局,属二级预算单位,无下属单位。
2.人员编制情况。截止2021年底,嘉峪关市产品质量计量和特种设备检验检测中心编制16人,全部为全额补助事业编制,实有人数15人。事业退休职工12人,其中财政供养10人,市人社局保障2人。
第二部分
嘉峪关市质量计量和特种设备检验检测中心2021年度部门决算表
一、收入支出决算总表
二、收入决算表
三、支出决算表
四、财政拨款收入支出决算总表
五、一般公共预算财政拨款收入支出决算表
六、一般公共预算财政拨款基本支出决算明细表
七、政府性基金预算财政拨款收入支出决算表
八、国有资本经营预算财政拨款支出决算表
九、财政拨款“三公”经费支出决算表
第三部分
嘉峪关市质量计量和特种设备检验检测中心2021年度部门决算情况说明
一、收入支出决算总体情况说明
2021年度收入总计1143.04万元,支出总计1143.04万元。与2020年决算数相比,收入、支出总计各增加470.94万元,增加70.07%,主要原因是增加了计量专用设备购置项目及基建项目。
二、收入决算情况说明
2021年度收入合计1115.07万元,其中:财政拨款收入572.35万元,占51.33%;其他收入542.72万元,占48.67%。
三、支出决算情况说明
2021年度支出合计1097.27万元,其中:基本支出392.41万元,占35.76%;项目支出704.87万元,占64.24%。
四、财政拨款收入支出决算总体情况说明
2021年度财政拨款收、支总计均为599.42万元。与上年相比,各增加24.32万元,增长4.23%。主要原因是职工晋级晋档增资。
五、一般公共预算财政拨款支出决算情况说明
2021年度一般公共预算财政拨款支出587.16万元,较上年决算数增加58.51万元,增长11.07%。主要原因是增加了聘用人员的劳务费。主要用于以下几个方面:
1.一般公共服务支出。年初预算数为587.16万元,支出决算为587.16万元,完成年初预算的100.0%。
六、一般公共预算财政拨款基本支出决算情况说明
2021年度一般公共预算财政拨款基本支出392.41万元。其中:
人员经费260.14万元,较上年决算数增加3.68万元,增长1.43%,主要原因是职工晋级晋档增资等。人员经费用途主要包括发放职工基本工资、津贴补贴、奖金、社会保障缴费、退休费、生活补助、抚恤金、奖励金等。
公用经费132.27万元,较上年决算数减少52.15万元,下降28.28%,主要原因是节约开支,将节约的经费上缴财政统筹规划。公用经费用途主要包括单位履职所必须的办公费、印刷费、咨询费、手续费、水电费、单位取暖费、差旅费、培训费、维修费、专用材料费、公务接待费、劳务费、公务用车运行维护费等支出。
七、机关运行经费支出情况说明
2021年度本部门机关运行经费支出0.00万元,机关运行经费较上年决算数减少0.0万元,下降0%。本年度会议费支出0.00万元,较上年决算数减少0.0万元,下降0%。本年度培训费支出0万元,较上年决算数减少0万元,下降0%。
八、政府采购支出情况说明
2021年度本部门政府采购支出合计13.21万元,其中:政府采购货物支出6.7万元、政府采购工程支出0.00万元、政府采购服务支出6.51万元。授予中小企业合同金额13.21万元,占政府采购支出总额的100.00%,其中:授予小微企业合同金额9.69万元,占政府采购支出总额的73.35%。
九、国有资产占用情况说明
截至2021年12月31日,本部门共有车辆13辆,其中,副部(省)级及以上领导用车0辆、主要领导干部用车0辆、机要通信用车0辆、应急保障用车0辆、执法执勤用车0辆,特种专业技术用车2辆,离退休干部用车0辆,其他用车11辆,其他用车主要是用于检验检测用车。单价100万元(含)以上设备0台(套)。
十、政府性基金预算财政拨款收支决算情况说明
2021年度政府性基金预算财政拨款年初结转和结余0.00万元,本年收入0.00万元,本年支出0.00万元,年末结转和结余0.00万元。
十一、国有资本经营预算财政拨款支出情况说明
2021年度国有资本经营预算财政拨款本年支出0.00万元。
十二、财政拨款“三公”经费支出决算情况说明
(一)“三公”经费财政拨款支出总体情况说明
2021年度“三公”经费支出全年预算数为18.40万元,支出决算为8.86万元,决算数小于预算数的主要原因是响应上级号召,严控开支,厉行节约。较上年决算数减少1.43万元,下降13.9%,主要原因是严格执行“三公”经费只减不增要求,大力压缩“三公”经费支出。
(二)“三公”经费财政拨款支出决算具体情况说明
1.因公出国(境)费用。全年预算数为0.00万元,支出决算为0.00万元,较上年决算数减少0.0万元,下降0%。
2.公务用车购置及运行维护费。全年预算数为18.40万元,支出决算为8.86万元,决算数小于预算数的主要原因严控开支,厉行节约。较上年决算数减少1.4万元,下降13.64%,主要原因是规范公车管理,从严安排出车,减少用车成本。
其中:公务用车购置费全年预算数为0.00万元,支出决算为0.00万元,较上年决算数减少0.0万元,下降0%。公务用车运行维护费全年预算数为18.40万元,支出决算为8.86万元,决算数小于预算数的主要原因是严控开支,厉行节约,较上年决算数减少1.4万元,下降13.64%,主要原因是规范公车管理。
3.公务接待费。全年预算数为0万元,支出决算为0.00万元,较上年决算数减少0.03万元,下降100%,主要原因是我中心接待标准严格贯彻执行中央八项规定,严控接待次数、陪餐人数及接待标准,未经批准接待费一律自付。
(三)“三公”经费财政拨款支出决算实物量情况
2021年度本部门因公出国(境)共计0个团组,0人;公务用车购置0辆,公务用车保有量为13辆;国内公务接待0批次0人,其中:外事接待0批次,0人;国(境)外公务接待0批次,0人。
第四部分
嘉峪关市质量计量和特种设备检验检测中心2021年度预算绩效情况说明
(一)预算绩效管理工作开展情况
根据财政预算绩效管理要求,嘉峪关市产品质量计量和特种设备检验检测中心组织对2021年度整体支出及一般公共预算项目支出开展绩效评价。
根据年初设定的绩效目标,一级项目2个,二级项目3个,共涉及资金148.55万元,实施的3个项目共投入资金148.55万元,占一般公共预算项目支出总额的21.07%,其中:非税返还42.12万元;重点产品质量监督抽检经费46.43万元,编外辅助用工项目经费60万元。对2021年度0个政府性基金预算项目开展绩效自评,共涉及资金0万元,占政府性基金预算项目支出总额的0%。组织对2021年度0个国有资本经营预算项目开展绩效自评,共涉及资金0万元,占国有资本经营预算项目支出总额的0%。从评价情况来看,全年绩效目标全部按期、保质保量完成。
(二)绩效自评结果
1.绩效评价情况
(1)整体支出绩效评价:在经济效益方面,我中心实际完成282万元特种设备检验检测收入;在效率性和有效性方面,预算安排的基本支出保障了单位的正常运转和工作开展,预算安排的项目支出基本保障了检验检测工作的开展,在执行上严格遵守各项财经纪律,在项目资金的使用上专款专用,严守法律底线、纪律底线、道德底线。我中心通过加强预算收支管理,不断建立健全内部管理制度,梳理内部管理流程,部门整体支出管理情况得到提升。
(2)非税返还项目绩效评价:2021年市财政按非税收入上缴完成282万元目标返还经费预算资金42.18万元,执行数为42.12万元,完成预算的99.86%。非税返还项目经费主要用于检验试剂耗材及检验用设备的购置,以保障特种设备检验的正常运转。
项目实施情况
根据财政要求,我单位加强了专项资金管理,强化了主体责任,全年共检验机电类特种设备2848台台,承压类特种设备3414台(条/只)。
项目实施质量
对特种设备检验检测工作,以质量安全为着力点,保障嘉峪关市辖区内特种设备安全运行,加大全市电梯、锅炉和液化气瓶等关系老百姓生命财产安全的特种设备的检验检测,及时排查隐患,确保安全生产。保护了消费者的合法权益,促进公平竞争。
根据年初设定的绩效目标,我中心在该专项资金使用上均严格按照财务管理规定执行,专款专用,程序合法,财务收支手续齐全,资金使用正确,项目进展顺利,项目自评得分98分,评价结果为“优秀”。
(3)重点产品质量监督抽检经费项目绩效绩效评价:项目全年预算数为50万元,执行数为46.43万元,完成预算的92.86%。
项目实施情况
全年完成产品质量抽检任务377批次,其中:市级监督抽检130批次、煤炭180批次、委托检验67批次,全年共检定用于贸易结算、安全防护、医疗卫生、环境监测等列入《中华人民共和国强制检定的工作计量器具目录》及非强制性的各类计量器具21102台(件)。
项目实施质量
及时保障了嘉峪关市市辖区内各行业产品质量稳定、在用计量器具量值传递准确可靠,进一步加强质量安全、规范市场秩序、保护消费者合法权益,为建设和谐嘉峪关市和富民惠民作出贡献。
根据年初设定的绩效目标,我中心在该专项资金使用上均严格按照财务管理规定执行,专款专用,程序合法,财务收支手续齐全,资金使用正确,项目进展顺利,项目自评得分96分,评价结果为“优秀”。
(4)编外辅助用工项目经费项目绩效评价:根据年初设定的绩效目标,项目自评得分98分,评价结果为“优秀”。项目全年预算数为60万元,执行数为60万元,完成预算的100%。该预算项目资金全部用于支付中心聘用人员工资、社保,有效地维持本单位工作正常运转,实现既定目标、完成预算支出。
2.下一步改进措施
今后将进一步加大预算编制、预算执行和绩效管理工作的力度,把绩效理念方法融入预算编制和执行各环节,合理编制预算和绩效目标,积极开展预算执行和绩效跟踪监控,不断加强绩效分析能力,提高资金使用效率,探索更具科学性和可操作性的绩效分析、绩效考核指标体系。
第五部分 专业名词解释
一、财政拨款收入:指本年度从本级财政部门取得的财政拨款,包括一般公共预算财政拨款和政府性基金预算财政拨款。
二、事业收入:指事业单位开展专业业务活动及其辅助活动取得的现金流入;事业单位收到的财政专户实际核拨的教育收费等资金在此反映。
三、经营收入:指事业单位在专业业务活动及其辅助活动之外开展非独立核算经营活动取得的现金流入。
四、其他收入:指单位取得的除“财政拨款收入”、“事业收入”、“经营收入”等以外的收入,包括未纳入财政预算或财政专户管理的投资收益、银行存款利息收入、租金收入、捐赠收入,现金盘盈收入、存货盘盈收入、收回已核销的应收及预付款项、无法偿付的应付及预收款项等。各单位从本级财政部门以外的同级单位取得的经费、从非本级财政部门取得的经费,以及行政单位收到的财政专户管理资金反映在本项内。
五、年初结转和结余:指单位上年结转本年使用的基本支出结转、项目支出结转和结余、经营结余。
六、结余分配:指单位按照国家有关规定,缴纳所得税、提取专用基金、转入事业基金等当年结余的分配情况。
七、年末结转和结余:指单位结转下年的基本支出结转、项目支出结转和结余、经营结余。
八、基本支出:指为保障机构正常运转、完成日常工作任务而发生的人员经费和公用经费。其中:人员经费指政府收支分类经济科目中的“工资福利支出”和“对个人和家庭的补助”;公用经费指政府收支分类经济科目中除“工资福利支出”和“对个人和家庭的补助”外的其他支出。
九、项目支出:指在基本支出之外为完成特定行政任务和事业发展目标所发生的支出。
十、经营支出:指事业单位在专业业务活动及其辅助活动之外开展非独立核算经营活动发生的支出。
十一、“三公”经费:指用一般公共预算财政拨款安排的因公出国(境)费、公务用车购置及运行维护费、公务接待费。其中,因公出国(境)费反映单位公务出国(境)的国际旅费、国外城市间交通费、住宿费、伙食费、培训费、公杂费等支出;公务用车购置费反映单位公务用车购置支出(含车辆购置税);公务用车运行维护费反映单位按规定保留的公务用车燃料费、维修费、过路过桥费、保险费、安全奖励费用等支出;公务接待费反映单位按规定开支的各类公务接待(含外宾接待)支出。
十二、机关运行经费:为保障行政单位(含参照公务员法管理的事业单位)运行用于购买货物和服务等的各项公用经费,包括办公及印刷费、邮电费、差旅费、会议费、福利费、日常维护费、专用材料及一般设备购置费、办公用房水电费、办公用房取暖费、办公用房物业管理费、公务用车运行维护费以及其他费用。
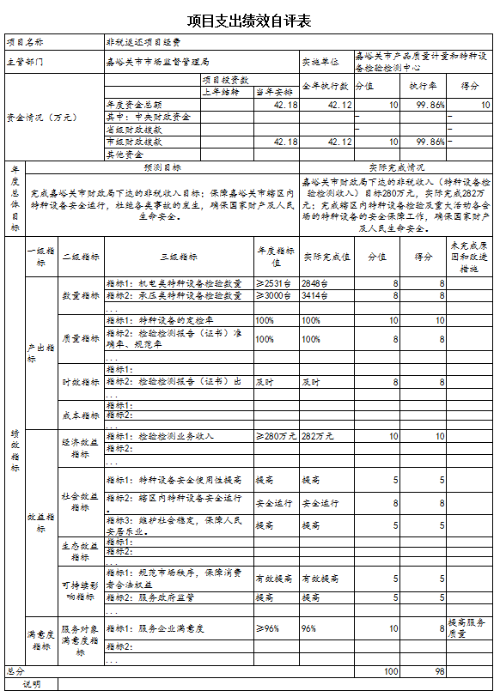
附件1:项目支出绩效自评表(非税返还)
嘉峪关市产品质量计量和特种设备检验检测中心2021年度非税返还项目支出预算绩效自评报告
根据《嘉峪关市财政局关于做好2021年度预算执行情况绩效自评工作的通知》的文件精神,为切实做好2021年我中心非税返还项目绩效自评工作,我中心认真组织、严格要求,扎实对2021年非税返还项目经费绩效自评工作进行了全面的自评,现将自评情况报告如下:
一、基本情况
(一)项目的概况
因全省已停止征收所有计量器具检定和产品质量检验收费项目,为弥补经费不足立此项目,资金主要用于全市范围内电梯、起重机械、压力容器、压力管道、锅炉、场车等特种设备检验检测及特种设备人员考核取证工作所发生的专用材料费及相关工作经费。
(二)整体绩效目标情况
完成嘉峪关市财政局下达的非税收入280万元的目标;认真落实特种设备监管检验职责,狠抓特种设备定期检验率,确保检验工作安全运行,消除辖区内特种设备检验安全隐患。
二、综合评价结论
项目资金审批使用规范,支出分布合理。本次绩效自评98分,综合评价等级为优。
三、绩效目标完成情况分析
(一)资金投入情况分析
1.项目资金到位情况分析。非税返还项目预算为42.18万元,项目资金到位率为100%。
2.项目资金执行情况分析。我中心按年度预算申请拨付,资金到位及时,支出依据合理,不存在截留、挤占挪用资金,项目资金使用42.12万元,结余0.06万元,结项目资金使用率为99.86%。经评价,资金执行率得分10分。
3.项目资金管理情况分析。我中心严格按照一级单位制定的《嘉峪关市场监督管理局财务管理规定》执行。经费开支实行预算审批制度,遵循“自下而上、依照权限、逐级审批”的程序办理,做到“先申请、再审批、后支出”的办事程序。支出费用由经办人、部门领导、主管领导、局长签字审批,实行专款专用,各项资金做到了“事前有预算、事中有监督、事后有总结”,确保了经费支出规范、合理、高效。
(二)总体绩效目标完成情况分析
嘉峪关市财政局下达的非税收入(特种设备检验检测收入)目标280万元,实际完成282万元;保障嘉峪关市辖区内特种设备安全运行,提高安全质量,保护人民生命财产安全,维护社会安全稳定。
(三)绩效目标完成情况分析
1.产出指标完成情况分析
(1)数量指标(16分)
实际完成率:2021年机电类特种设备检验数量2848台;承压类特种设备检验检测数量为3262台,数量逐年递增。依据评分标准得16分,扣0分。
(2)质量指标(18分)
质量达标率:一是严格遵守政策规定检验特种设备,检验合格后发放合格证,未出现差错率。二是认真落实特种设备监管检验职责,狠抓特种设备定期检验率,保证检验工作安全,消除全市特种设备检验安全隐患,特种设备的定检率达到99%。质量达标率100%。依据评分标准得18分,扣0分。
(3)时效指标(8分)
完成及时性:本项目在收到检测申请10个工作日内完成检验并出具检验检测报告(证书)。依据评分标准得8分,扣0分。
2. 效益指标完成情况分析
(1)经济效益指标(10分):嘉峪关市财政局下达的非税收入(特种设备检验检测收入)目标280万元,我中心实际完成282万元。依据评分标准得10分,扣0分。
(2)社会效益指标(18分):特种设备是一个高危设备,对特种设备的有效检验在一定程度上能有效降低特种设备事故的发生,维护社会稳定,保护人民的生命财产安全,保障辖区内特种设备的安全运行,这也是特种设备检验带来的社会效益。依据评分标准得18分,扣0分。
(3)可持续影响指标(10分):2021年度,检测发现了数台具有安全隐患的特种设备,通过信息共享,协助市局及时督促相关单位消除隐患,提高监管效能,有效的维护了人民生命安全。依据评分标准得10分,扣0分。
3.满意度指标完成分析
满意度(10分):我中心随机对25个服务对象发放了25份调查问卷,满意度为96%。依据评分标准得10分,扣2分。
四、存在的问题和下一步改进措施
(一)存在的问题
1.项目管理有待进一步加强
一是项目资金管理未能严格划分支出范围,项目专项支出与单位日常经费未能严格划分。二是检验人员缺乏,影响检验工作的时效性。
中心在绩效目标设定中,还不能完全体现出对单位职能的持续深化和在新形势下更好的履行自身职责、提高服务能力和水平,将在2022年的绩效指标设置中,对数量、质量、时效指标的制定有需进一步提高准确度。
(二)下一步改进措施
一是结合单位实际情况,加强项目实施方案编制工作,合理设定项目绩效目标,同时保证绩效目标明确、可量化。既能保障项目有序实施,又便于对项目实施效果的评价,为下一年项目预算安排提供可靠的信息;二是制定项目专项资金管理办法,规定支出范围;三是加大检验人员取证力度,改善目前检验人员一人多岗,检验员数量无法满足检验项目需要的状况。
五、绩效自评结果拟应用和公开情况
高度重视绩效评价结果的应用工作,积极探索和建立一套与预算管理相结合、多渠道应用评价结果的有效机制,着力提高绩效意识和财政资金使用效益。同时公开绩效目标自评报告,广泛接受社会监督。
六、其他需要说明的问题
无
附件2:项目支出绩效自评表(重点产品质量监督抽检经费)
嘉峪关市产品质量计量和特种设备检验检测中心2021年度重点产品质量监督抽检经费项目支出预算绩效自评报告
根据《嘉峪关市财政局关于做好2021年度预算执行情况绩效自评工作的通知》的文件精神,为切实做好2021年我中心重点产品质量监督抽检经费项目绩效自评工作,我中心认真组织、严格要求,扎实对2021年重点产品质量监督抽检经费项目经费绩效自评工作进行了全面的自评,现将自评情况报告如下:
一、基本情况
(一)项目的概况
根据原质检总局关于贯彻落实取消或停征4项行政事业性收费决定的通知(国质检财函〔2017〕140号)关于"取消或停征上述行政事业性收费后,有关单位依法履行职责所需相关经费,应向同级财政申请预算予以保障,不得影响依法履行职责"的规定和财政部国家发展改革委关于清理规范一批行政事业性收费有关政策的通知 (财税〔2017〕20号)关于“取消、停征减免”上述行政事业性收费后,有关单位依法履行职责所需相关经费,由同级财政预算予以保障,不得影响依法履行职责”的规定立此项目。立项目标具体有以下4项:1.弥补完成省、市下达的产品质量监督抽查和委托的检验经费不足;2.弥补计量器具检定运行经费不足;3.弥补聘用制检验检测人员工资、社保经费的不足;3.弥补产品质量、计量器具检定所需的专用设备及耗材购置费;4.弥补为保障市辖区环境、产品抽检范围、抽检数量、抽检批次逐年增加所需费用的不足。
(二)整体绩效目标情况
完成市市场监督管理局下达的产品质量及商品煤监督抽检310批次和计量器具强检任务,保障嘉峪关市辖区内各行业产品质量稳定、在用计量器具量值传递准确可靠,进一步加强质量安全、规范市场秩序、维护社会公平、保护消费者合法权益,促进公平竞争。
三、综合评价结论
项目资金审批使用规范,支出分布合理。本次绩效自评96分,综合评价等级为优。
三、绩效目标完成情况分析
(一)资金投入情况分析
1.项目资金到位情况分析。重点产品质量监督抽检经费项目预算为50万元,项目资金到位率为100%。
2.项目资金执行情况分析。我中心按年度预算申请拨付,资金到位及时,支出依据合理,不存在截留、挤占挪用资金,项目资金使用46.42万元,结余3.56万元,项目资金使用率为99%。经评价,资金执行率得分9分,扣1分。
3.项目资金管理情况分析。按照“专款专用、节约高效”的原则,结合项目预算和工作实际,我中心对2021年重点产品质量监督抽检经费专项资金进行了科学合理支配,对项目资金做到了“事前有预算、事中有监督、事后有总结”,确保了费用支出规范、合理、高效。
(二)总体绩效目标完成情况分析
完成产品质量抽检任务377批次,其中:市级监督抽检130批次、煤炭180批次、委托检验67批次;完成检定、校准用于贸易结算、安全防护、医疗卫生、环境监测等强制计量器具21102台;保障嘉峪关市辖区内各行业产品质量稳定、在用计量器具量值传递准确可靠,进一步加强质量安全、规范市场秩序、维护社会公平、保护消费者合法权益,促进公平竞争。
(三)绩效目标完成情况分析
1.产出指标完成情况分析
(1)数量指标(16分)
实际完成率:2021年产品质量抽检完成377批次,计量器具检定台(件)21102台,数量逐年递增。依据评分标准得16分,扣0分。
(2)质量指标(20分)
质量达标率:一是严格遵守政策规定检验计量设备,检验合格后发放合格证,未出现差错率。二是强检、校准覆盖率达到100%。三是社会公用计量标准30项。质量达标率100%。依据评分标准得20分,扣0分。
(3)时效指标(14分)
完成及时性:本项目在收到检测申请10个工作日内完成检验并出具检验检测报告(证书)。依据评分标准得14分,扣0分。
3. 效益指标完成情况分析
(4)社会效益指标(15分):我中心加大检查产品批次和抽检范围,扩大对涉及环保、能效、关键性能产品的突击性抽检,实施好重点产品质量监督抽查工作。认真开展全市在用计量器具的检定、校准工作,进一步改善嘉峪关市的产品质量,提高辖区内产品质量整体水平,完善市场管理体系,规范了辖区内市场经济秩序,严格把控质量关。依据评分标准得18分,扣0分。
(5)可持续影响指标(17分):2021年度,对出现不合格产品的企业,及时上报市场监督管理局相关部门,加强抽查和查处力度,防止不合格产品流入市场将对人民群众生命财产安全形成隐患威胁,大大规范了辖区内市场经济秩序,维护了群众的合法利益。依据评分标准得17分,扣0分。
3.满意度指标完成分析
满意度(7分):我中心始终坚持全心全意为人民服务的宗旨,不断提高业务能力和服务水平,随机对服务企业发放调查问卷,满意度为96%。依据评分标准得5分,扣2分。
四、存在的问题和下一步改进措施
(一)存在的问题
中心在绩效目标设定中,还不能完全体现出对单位职能的持续深化和在新形势下更好的履行自身职责、提高服务能力和水平,将2022年的绩效指标设置中,对数量、质量、时效指标的制定有需进一步提高准确度。
(二)下一步改进措施
一是进一步细化、量化运行经费绩效目标,并对绩效目标实施实时监控,使评价有据可依;二是突出重点,科学制定项目发展规划,紧紧围绕政府要求和产业需求,围绕安全评估、节能降耗等重大领域为切入点,积极筹备前瞻性和核心项目能力建设。
五、绩效自评结果拟应用和公开情况
高度重视绩效评价结果的应用工作,积极探索和建立一套与预算管理相结合、多渠道应用评价结果的有效机制,着力提高绩效意识和财政资金使用效益。同时公开绩效目标自评报告,广泛接受社会监督。
六、其他需要说明的问题
无
附件3:项目支出绩效自评表(编外辅助用工经费)
嘉峪关市产品质量计量和特种设备检验检测中心2021年度编外辅助用工人员经费项目支出预算绩效自评报告
根据《嘉峪关市财政局关于做好2021年度预算执行情况绩效自评工作的通知》的文件精神,为切实做好2021年我中心编外辅助用工人员经费项目绩效自评工作,我中心认真组织、严格要求,扎实对2021年编外辅助用工员经费项目经费绩效自评工作进行了全面的自评,现将自评情况报告如下:
一、基本情况
(一)项目的概况。
我中心是具有独立法人资格的全额拨款公益二类事业单位,现有各类检验检测设备共450余台(套)。承担嘉峪关市行政区域内产品质量检验、计量器具检定、特种设备检验等工作。市编办核定在职人员16人,实编15人。由于在职人员少,从事检验工作专业技术性强,省、市每年下达的检验检测任务逐年增加,检品全检率不断提升,2013年后相继停收了产品质量检验、计量检定费用,送检及委托检验样品快速增加,日常监督检验数量每年也成倍增加。现有的在职人员根本无法完成检验工作,为保证检验工作的正常开展,完成省级、市级下达的各类检验检测任务,中心在市编办核定20人辅助性岗位基础上,自主招聘了16名专业技术检验人员。
(三)整体绩效目标情况。
保障检验检测专业技术人员工资及社保,以便更好的完成产品监督抽查、计量器具强检和特种设备的检验检测任务。
四、综合评价结论
项目资金审批使用规范,支出分布合理。本次绩效自评98分,综合评价等级为优。
三、绩效目标完成情况分析
(一)资金投入情况分析。
1.项目资金到位情况分析。编外检验检测人员经费项目预算为60万元,项目资金到位率为100%。
2.项目资金执行情况分析。按照专款专用的原则,在本单位严格监督下,该项目资金全部用于编外聘用人员工资及社保,项目资金使用率为100%。经评价,资金执行率得分 10分。
3.项目资金管理情况分析。本单位财务管理制度健全,严格按照合同约定,通过银行系统转账的方式,每月按时发放,不克扣、拖欠聘用人员工资,未存在挪用或超标准开支情况。
(二)总体绩效目标完成情况分析。
该预算项目资金全部用于支付中心聘用人员工资、社保,有效地维持本单位工作正常运转,实现既定目标、完成预算支出。
(三)绩效目标完成情况分析。
1.产出指标完成情况分析。
(1)数量指标(30分)项目产出数量的三级指标和具体分值为:
年初目标为:聘用编外人员36人。
实际完成情况:2021年我中心聘用人员36名,完成预期100%,达到年初计划目标。
年初目标为:计量器具检定台数21000台。
实际完成情况:2021年我中心完成计量器具检定台数21102台,完成预期100%,达到年初计划目标。
年初目标为:产品质量抽检310批次。
实际完成情况:2021年我中心完成产品质量抽检377批次,完成预期100%,达到年初计划目标。
经评价,项目产出数量指标得分30分。
(2)质量指标(10分)项目产出数量的三级指标和具体分值为:
年初目标为:工作职责履行,业务能力水平,服务态度状况。
实际完成情况:2021年我中心编外人员工作尽职,业务能力提高,服务态度良好,完成预期100%,达到年初计划目标。
年初目标为:强检、校准覆盖率达到100%
实际完成情况:2021年我中心强检、校准覆盖率达到100%,完成预期100%,达到年初计划目标。
经评价,项目产出数量指标得分10分。
(3)时效指标(15分)完成情况
年初计划:聘用人员工资支付及时
实际完成情况:我中心全年每月及时支付编外聘用人员工资及社保,工作完成及时率为100%,达到预期目标。
年初计划:检验检测报告(证书)出具及时性
实际完成情况:我中心及时出具检验检测报告(证书),工作完成及时率为100%,达到预期目标。
经评价,得分15分。
2.效益指标完成情况分析。
(1)社会效益指标(15分)。
年初计划目标:人员队伍充实,工作效率高。
实际完成情况:我中心人员队伍充实,工作效率得到有效提高,达到预期目标。
年初计划目标:保障就业,缓解就业难题。
实际完成情况:保障就业,缓解了社会就业难题。 经评价,得分 15分。
(4)可持续影响指标(15分)。
年初计划目标:提高服务政府监管。
实际完成情况:我中心对出现不合格产品的企业,及时上报市场监督管理局相关部门,提高政府服务监管。
年初计划目标:规范市场秩序。
实际完成情况:保障嘉峪关市辖区内各行业产品质量稳定、在用计量器具量值传递准确可靠,进一步加强质量安全、规范市场秩序、维护社会公平、保护消费者合法权益。
经评价,得分10分。
3.满意度指标完成情况分析(10分)。2021年,我中心随机对聘用人员调查,根据统计,我中心2021年满意度达到96%以上,完成了年初预期目标,此项得分8 分。
四、偏离绩效目标的原因和下一步改进措施
(一)存在的问题及原因分析
在聘用之后,竞争机制还不够完善,在人才队伍建设方面还存在不足之处。
(二)下一步改进措施
一是加强绩效目标申报工作,针对绩效目标设定存在的问题,应加强绩效申报工作的研究;二是不断加强新聘用人员的业务学习,提高业务素养。
五、绩效自评结果拟应用和公开情况
高度重视绩效评价结果的应用工作,积极探索和建立一套与预算管理相结合、多渠道应用评价结果的有效机制,着力提高绩效意识和财政资金使用效益。同时公开绩效目标自评报告,广泛接受社会监督。
六、其他需要说明的问题
无