I
目
录
一、智能制造系统架构
..............................................................1
二、总体要求
..............................................................................
4
三、建设思路
..............................................................................
5
(一)智能制造标准体系结构
..................................................5
(二)智能制造标准体系框架
..................................................7
四、建设内容
..............................................................................
9
(一)基础共性标准
..................................................................9
(二)关键技术标准
................................................................11
(三)行业应用标准
................................................................26
五、组织实施
............................................................................
33
1
一、智能制造系统架构
智能制造是基于先进制造技术与新一代信息技术深度
融合,贯穿于设计、生产、物流、销售、服务等产品全生命
周期,具有自感知、自决策、自执行、自适应、自学习等功
能,旨在提高制造业质量和创新能力、效率效益和柔性的先
进生产方式。
智能制造系统架构从生命周期、系统层级和智能特征等
3
个维度对智能制造所涉及的要素、装备、活动等内容进行
描述,主要用于明确智能制造的标准化对象和范围。智能制
造系统架构如图
1
所示。
图
1
智能制造系统架构
2
1.
生命周期
生命周期涵盖从产品原型研发到产品回收再制造的各
个阶段,包括设计、生产、物流、销售、服务等一系列相互
联系的价值创造活动。生命周期的各项活动可进行迭代优化,
具有可持续性发展等特点,不同行业的生命周期构成和时间
顺序不尽相同。
(
1
)设计是指根据企业的所有约束条件以及所选择的
技术来对需求进行实现和优化的过程;
(
2
)生产是指将物料进行加工、运送、装配、检验等
活动创造产品的过程;
(
3
)物流是指物品从供应地向接收地的实体流动过程;
(
4
)销售是指产品或商品等从企业转移到客户手中的
经营活动;
(
5
)服务是指产品提供者与客户接触过程中所产生的
一系列活动的过程及其结果。
2.
系统层级
系统层级是指与企业生产活动相关的组织结构的层级
划分,包括设备层、单元层、车间层、企业层和协同层。
(
1
)设备层是指企业利用传感器、仪器仪表、机器、
装置等,实现实际物理流程并感知和操控物理流程的层级;
(
2
)单元层是指用于企业内处理信息、实现监测和控
制物理流程的层级;
3
(
3
)车间层是实现面向工厂或车间的生产管理的层级;
(
4
)企业层是实现面向企业经营管理的层级;
(
5
)协同层是企业实现其内部和外部信息互联和共享,
实现跨企业间业务协同的层级。
3.
智能特征
智能特征是指制造活动具有的自感知、自决策、自执行、
自学习、自适应之类功能的表征,包括资源要素、互联互通、
融合共享、系统集成和新兴业态等
5
层智能化要求。
(
1
)资源要素是指企业从事生产时所需要使用的资源
或工具及其数字化模型所在的层级;
(
2
)互联互通是指通过有线或无线网络、通信协议与
接口,实现资源要素之间的数据传递与参数语义交换的层级;
(
3
)融合共享是指在互联互通的基础上,利用云计算、
大数据等新一代信息通信技术,实现信息协同共享的层级;
(
4
)系统集成是指企业实现智能制造过程中的装备、
生产单元、生产线、数字化车间、智能工厂之间,以及智能
制造系统之间的数据交换和功能互连的层级;
(
5
)新兴业态是指基于物理空间不同层级资源要素和
数字空间集成与融合的数据、模型及系统,建立的涵盖认知、
诊断、预测及决策等功能,且支持虚实迭代优化的层级。
4
二、总体要求
以习近平新时代中国特色社会主义思想为指导,全面贯
彻党的二十大和二十届三中全会精神,认真落实中央经济工
作会议和全国新型工业化推进大会部署要求,立足新发展阶
段,全面贯彻新发展理念,服务新发展格局,深入落实《中
华
人
民
共
和
国
国
民
经
济
和
社
会
发
展
第
十
四
个
五
年
规
划
和
2035
年远景目标纲要》《国家标准化发展纲要》《“十四五”
智能制造发展规划》等部署要求,坚定不移实施制造强国、
网络强国战略,强化标准支撑引领,统筹推进国内国际标准
化工作,持续完善智能制造标准工作顶层设计,以高质量智
能制造标准支撑现代化产业体系建设,加快发展新质生产力,
助力新型工业化高质量发展,推动制造业高端化、智能化、
绿色化转型升级。
统筹规划,前瞻引领。
加强“国家
+
行业”智能制造标
准体系顶层设计,统筹推进国家标准与行业标准、国内标准
与国际标准的制定与实施。加快基础共性、关键技术、行业
应用等重点标准制修订,发布一批前瞻性、引领性标准。
需求牵引,应用拓展。
围绕现代化产业体系建设的标准
化需求,聚焦产品全生命周期、生产全过程、供应链全环节,
构建典型场景标准群。以标准应用项目和贯标行动为工作抓
手,释放智能制造标准应用效能,固化技术创新成果。
5
立足国情,开放合作。
结合我国智能制造发展现状,紧
跟国际技术和产业发展趋势,系统规划布局战略性、先进性
国际标准。深化国际交流合作,积极分享成熟中国标准化方
案,共同制定智能制造国际标准,不断提升我国智能制造标
准国际化水平。
到
2026
年,制修订
100
项以上国家标准、行业标准,
构建适应新型工业化发展的智能制造标准体系。加快制定智
能检测、智能物流等智能装备标准,研发设计、生产制造等
工业软件标准,智能设计、智能管理等智能工厂标准,供应
链建设、供应链运营等智慧供应链标准,数字孪生装备、人
工智能工业应用、工业数据流通等智能赋能技术标准,网络
协同制造、产销一体化运营等智能制造新模式标准,工业无
线网络、工业网络融合等工业网络标准,探索标准研制新方
法,固化成功经验和创新成果,形成典型场景系统解决方案
标准,引导企业应用标准指导实践,构建企业智能制造标准
体系,推动智能制造高质量发展。
三、建设思路
(一)智能制造标准体系结构
智能制造标准体系结构包括
A
基础共性、
B
关键技术、
C
行业应用等
3
个部分,主要反映标准体系各部分的组成关
系。智能制造标准体系结构图如图
2
所示。
6
图
2
智能制造标准体系结构图
具体而言,
A
基础共性标准包括通用、安全、可靠性、
检测、评价、人员能力等
6
大类,位于智能制造标准体系结
构图的最底层,主要用于统一智能制造相关概念,解决智能
制造基础共性关键问题,是
B
关键技术标准和
C
行业应用标
准的支撑。
B
关键技术标准是智能制造系统架构智能特征维
度在生命周期维度和系统层级维度所组成的制造平面的投
影,主要解决企业智能制造推进过程中需要解决的关键技术
7
问题,其中
BA
智能装备标准主要聚焦智能特征维度的资源
要素,
BB
工业软件标准主要聚焦智能特征维度的系统集成,
BC
智能工厂标准主要聚焦智能特征维度的资源要素和系统
集成,
BD
智慧供应链标准对应智能特征维度互联互通、融
合共享和系统集成,
BE
智能赋能技术标准对应智能特征维
度的资源要素、互联互通、融合共享、系统集成和新兴业态,
BF
智能制造新模式标准对应智能特征维度的新兴业态,
BG
工业网络标准对应智能特征维度的互联互通和融合共享。
C
行业应用标准位于智能制造标准体系结构图的最顶层,面向
行业具体需求,
对
A
基础共性标准和
B
关键技术标准进行细
化和落地,指导各行业推进智能制造。
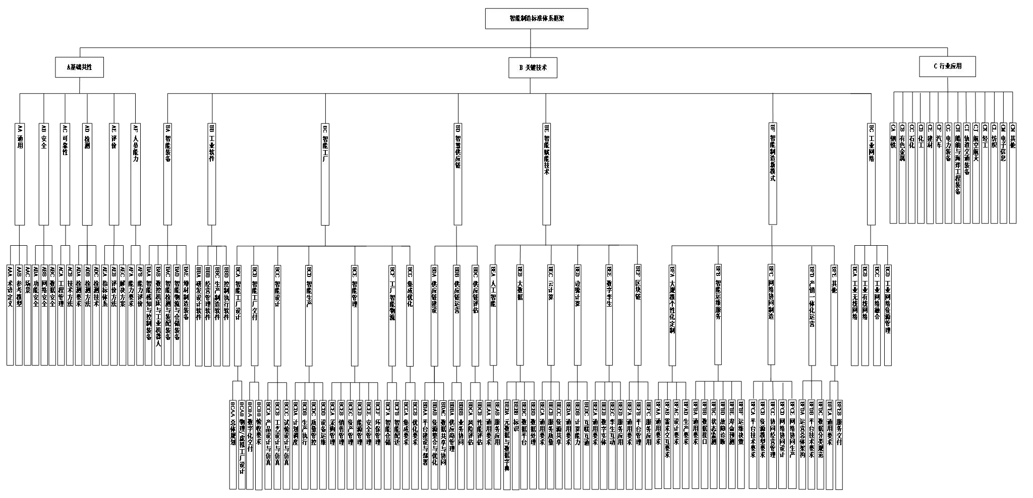
(二)智能制造标准体系框架
智能制造标准体系框架图包含了智能制造标准体系的
基本组成单元,具体包括
A
基础共性、
B
关键技术、
C
行业
应用等
3
个部分,如图
3
所示。
8
图
3
智能制造标准体系框架图
9
四、建设内容
(一)基础共性标准
主要包括通用、安全、可靠性、检测、评价、人员能力
等
6
个部分,如图
4
所示。主要用于统一智能制造相关概念,
解决智能制造基础共性关键问题。
图
4
基础共性标准子体系
1.
通用标准
主要包括术语定义、参考模型、场景等
3
个部分。
术语
定义标准
主要包括用于统一智能制造相关概念的术语、词汇、
符号、代号等标准。
参考模型标准
主要包括用于帮助各方认
识和理解智能制造标准化的对象、边界、各部分的层级关系
和内在联系的参考模型、系统架构等标准。
场景标准
主要包
括智能制造典型场景建设的参考指引标准。
10
2.
安全标准
主要包括功能安全、网络安全、数据安全等
3
个部分。
功能安全标准
主要包括智能制造中功能安全系统的设计、实
施、测试等标准。
网络安全标准
指以确保智能制造中相关终
端设备、控制系统、工业互联网平台、边缘计算、工业数据
等可用性、机密性、完整性为目标的标准,重点包括企业网
络安全分类分级管理、安全管理、安全成熟度评估和密码应
用等标准。
数据安全标准
主要包括工业数据质量管理、加密、
脱敏及风险评估等标准。
3.
可靠性标准
主要包括工程管理、技术方法等
2
个部分。
工程管理标
准
主要包括智能制造系统可靠性要求、可靠性管理、综合保
障管理、寿命周期成本管理等标准。
技术方法标准
主要包括
可靠性仿真、可靠性设计、可靠性试验、可靠性分析、可靠
性评价等标准。
4.
检测标准
主要包括检测要求、检测方法、检测技术等
3
个部分。
检测要求标准
主要包括不同类型智能装备和系统的互操作
性、互联互通、系统能效等测试要求标准。
检测方法标准
主
要包括不同类型的智能装备和系统的试验内容、过程、分析、
环境适应性和参数校准等标准。
检测技术标准
主要包括面向
智能制造检测技术的判断性检测、信息性检测等标准。
11
5.
评价标准
主要包括指标体系、评价方法、解决方案等
3
个部分。
指标体系标准
主要包括制造企业实施智能制造的绩效评价
指标、供应商提供的智能制造服务能力水平等标准。
评价方
法标准
主要包括成熟度模型、评价过程、结果判定等标准。
解决方案标准
主要包括基于评价结果企业智能制造能力提
升方法、场景化解决方案通用要求等标准。
6.
人员能力标准
主要包括智能制造人员能力要求、
能力评价等
2
个部分。
能力要求标准
主要包括从业人员知识储备、技术能力和实践
经验等要求标准。
能力评价标准
主要包括不同职业从业人员
评价、评估师评价等标准。
下一步建设重点
通用标准。
推动场景建设参考指引等标准研制。
评价标准。
推动精益制造、趋零库存等能力提升方法,场景化解决方案通用要求等
标准研制。
人员能力标准。
推动智能制造评估师要求、从业人员能力要求等标准研制。
(二)关键技术标准
主要包括智能装备、工业软件、智能工厂、智慧供应链、
智能赋能技术、智能制造新模式、工业网络等
7
个部分。
1.智能装备标准
主要包括智能感知与控制装备、数控机床与工业机器人、
智能检测与装配装备、智能物流与仓储装备、增材制造装备
等
5
个部分,如图
5
所示。主要规定智能装备的信息模型、
12
数据字典、通信协议、数据接口、功能和性能测试等要求。
图
5
智能装备标准子体系
(
1
)智能感知与控制装备标准
主要包括智能传感器、仪器仪表等装备的数据感知、操
作控制、人机交互等
通用技术标准
;信息模型、时钟同步、
互联互通、协议一致性等
接口与通信标准
。
(
2
)数控机床与工业机器人标准
主要包括数控机床和工业机器人的运动控制、安全要求、
运行维护、性能测试等
通用技术标准
;信息模型、数据接口、
通信协议等
接口与通信标准
。
(
3
)智能检测与装配装备标准
主要包括智能检测与装配装备的组成要素、参数配置、
功能和性能要求等
通用技术标准
;数据接口、适配要求、集
成规范等
接口与通信标准
。
(
4
)智能物流与仓储装备标准
主要包括智能仓储、输送、分拣与拣选、装卸搬运、包
装等装备的标识解析、业务协同等
通用技术标准
;数据接口、
13
通信协议等
接口与通信标准
。
(
5
)增材制造装备标准
主要包括增材制造装备的工艺知识库、模型数据质量、
测试方法、检测指标、检测性能评估等
通用技术标准
;数据
格式、数据接口等
接口与通信标准
。
下一步建设重点
智能感知与控制装备标准。
推动智能传感器、仪器仪表等装备的多源异构数据采集规范、
智能化要求、管理壳、多
CPU
关联协调等标准研制。
数控机床与工业机器人标准。
推动工业人形机器人、仿生灵巧手等通用技术要求标准研
制,推动高档数控机床的信息模型、集成实施规范等标准研制。
智能检测与装配装备标准。
推动智能检测装备的互联互通通用要求、智能装配装备的数
据格式和接口等标准研制。
智能物流与仓储装备标准。
推动智能物流与仓储装备的标识规范、与其他生产设备、制
造系统的集成实施等标准研制。
增材制造装备标准。
推动增材制造装备的工艺知识库建设指南、三维工艺模型数据质量
要求等标准研制。
2.
工业软件标准
主要包括研发设计软件、经营管理软件、生产制造软件、
控制执行软件等
4
个部分,如图
6
所示。主要规定工业软件
在数字化车间、智能工厂及企业运营过程中的集成规范和应
用指南等内容。
14
图
6
工业软件标准子体系
(
1
)研发设计软件标准
主要包括计算机辅助设计(
CAD
)、计算机辅助工程
(
CAE
)、计算机辅助工艺规划(
CAPP
)、计算机辅助制
造(
CAM
)、电子设计自动化(
EDA
)、产品数据管理(
PDM
)
及基于大数据、人工智能等赋能技术的
研发设计软件应用指
南和集成实施标准
。
(
2
)经营管理软件标准
主要包括企业资源计划(
ERP
)、供应链管理(
SCM
)、
客户关系管理(
CRM
)、人力资源管理(
HRM
)、质量管
理系统(
QMS
)、资产绩效管理系统(
APM
)、项目管理(
PM
)
软件
等经营管理软件应用指南和集成实施标准
。
(
3
)生产制造软件标准
主要包括制造执行系统(
MES
)、高级计划排程系统
(
APS
)、工厂物料运输管理系统(
TMS
)、能源管理系统
15
(
EMS
)、故障预测与健康管理软件(
PHM
)、运维综合保
障管理(
MRO
)
等生产制造软件应用指南和集成实施标准
。
(
4
)控制执行软件标准
主要包括工业操作系统、工业控制软件、组态编程软件
等控制执行软件的应用指南和集成实施标准
。
下一步建设重点
研发设计软件标准。
推动计算机辅助设计(
CAD
)、计算机辅助制造(
CAM
)、产
品数据管理(
PDM
)等软件的数据格式和接口规范标准研制。
经营管理软件标准。
推动企业资源计划(
ERP
)、供应链管理(
SCM
)、客户关系
管理(
CRM
)等软件与其他软件集成实施类标准研制。
生产制造软件标准。
推动制造执行系统(
MES
)、高级计划排程系统(
APS
)、工厂
物料运输管理系统(
TMS
)等软件与其他软件集成实施类标准研制。
控制执行软件标准。
推动工业操作系统等软件的系统架构、数据接口等标准研制。
3.
智能工厂标准
主要包括智能工厂设计、智能工厂交付、智能设计、智
能生产、智能管理、工厂智能物流、集成优化等
7
个部分,
如图
7
所示。主要规定智能工厂设计与交付,智能工厂运营
时的设计、生产、管理、物流、系统集成等内容。
16
图
7
智能工厂标准子体系
(
1
)智能工厂设计标准
主要包括智能工厂
/
数字化车间的设计要求、设计模型、
设计验证、设计文件编制以及协同设计等
总体规划标准
;物
理工厂数据采集、工厂布局,虚拟工厂参考架构、工艺流程
及布局模型、生产过程模型和组织模型、生产设备全信息建
模、仿真分析,实现物理工厂与虚拟工厂之间的信息交互等
物理
/
虚拟工厂设计标准
。
(
2
)智能工厂交付标准
主要包括设计、实施阶段数字化交付通用要求、交付信
息模型、交付数据采集要求、交付系统要求、交付系统集成
17
要求、交付实施指南、基于交付模型的运行维护实施指南等
数字化交付标准
;智能工厂项目不同阶段竣工
验收要求标准
。
(
3
)智能设计标准
主要包括基于数据和知识驱动的参数化模块化设计、基
于模型的系统工程(
MBSE
)设计、多
CAD
协同设计、基于
多业务协同的动态优化设计与仿真等
产品设计与仿真标准
;
基于制造资源数字化模型(
MBD
)工艺设计、柔性设计、质
量要求以及验收要求等
工艺设计与仿真标准
;试验方法、试
验数据与流程管理等
试验设计与仿真标准
。
(
4
)智能生产标准
主要包括计划建模与仿真、多级计划协同、可视化智能
云排产、云边协同优化调度等
计划调度标准
;全流程多工序
协同优化、生产工艺决策、生产过程管控与优化、异常管理
及防呆防错机制等
生产执行标准
;智能在线质量监测、预警
和优化控制、质量档案及质量追溯等
质量管控标准
;设备运
行状态监控与优化、故障诊断与设备健康评估等
设备运维标
准
。
(
5
)智能管理标准
主要包括原材料、辅料等质量检验分析、采购订单智能
分析等
采购管理标准
;销售预测、全渠道营销管理、销售行
为管理、客户服务管理等
销售管理标准
;设备管理、知识管
理等
资产管理标准
;可视化能源监控、能效评估等
能源管理
18
标准
;风险点实时监控、应急管理、危化品管理等
安全管理
标准
;环保实时监测、预测预警等
环保管理标准
。
(
6
)工厂智能物流标准
主要包括工厂内物料与货物状态标识与信息跟踪、作业
分派与设备管控及协同调度、收货拣货配货、仓储信息管理
等
智能仓储标准
;波次管理、分拣任务动态调度、分货拣货
配货、配送路径规划与管理、货物信息全流程收集管理等
智
能配送标准
。
(
7
)集成优化标准
主要包括满足工厂内业务活动需求的装备
/
产线
/
车间各
层级软硬件集成、企业业务能力集成互操作、系统解决方案
集成服务等
集成要求标准
;数据
/
知识
/
模型驱动的全生命周
期业务优化、决策与控制集成优化、用户需求与产品设计
/
生产制造闭环动态优化等
优化要求标准
。
下一步建设重点
智能设计标准
。推动基于数据和知识驱动的产品参数化模块化设计、基于制造资源数
字化模型的工艺设计等标准研制。
智能生产标准。
推动多级计划协同调度、全流程多工序协同优化的生产执行、在线质
量监测管理、基于知识的设备健康评估等标准研制。
智能管理标准。
推动数字化精益管理、全渠道营销管理、可视化能源健康管理、安全
管理和环境管理等标准研制。
工厂智能物流标准。
推动工厂内物料与货物状态标识与跟踪、物流配送路径规划与管
理、货物信息全流程管理等标准研制。
集成优化标准。
推动企业内业务集成互操作、数据
/
知识
/
模型驱动的全生命周期业务优
化、基于人工智能的生产计划排产等标准研制。
19
4.
智慧供应链标准
主要包括供应链建设、供应链运营、供应链评估等
3
个
部分,如图
8
所示。
主要规范供应链建设管理,实现供应链上
下游高效协同,提升供应链韧性。
图
8
智慧供应链标准子体系
(
1
)供应链建设标准
主要包括供应链控制塔及平台的平台架构与设计、接口
与集成、维护与升级等
平台建设与部署标准
,人力、财务、
信息、流程等
资源整合与优化标准,
供应链上下游之间的数
据共享、保护、整合、协作等
数据共享与协同标准
。
(
2
)供应链运营标准
主要包括供应商准入、合作、绩效评价、废止等
供应商
管理标准;
上下游相关主体间、主体内部业务活动等
业务协
同标准
。
20
(
3
)供应链评估标准
主要包括供应链风险识别与评估、风险预警与防范控制
等
风险评估标准
;供应链韧性指标体系、测试与评估方法等
性能评估标准
。
下一步建设重点
供应链建设标准。
推动供应链控制塔技术规范、平台架构与设计、数据共享技术要求、
数据协同处理等标准研制。
供应链运营标准。
推动供应链供应商分级分类、供应商服务能力评价、供应链上下游
业务协同等标准研制。
供应链评估标准。
推动供应链风险识别与评估、风险预警与防范控制、供应链韧性指
标体系等标准研制。
5.
智能赋能技术标准
主要包括人工智能、大数据、云计算、边缘计算、数字
孪生和区块链等
6
个部分,如图
9
所示。主要用于指导新技
术向制造业领域融合应用,提升制造业智能化水平。
21
图
9
智能赋能技术标准子体系
(
1
)人工智能标准
主要包括面向工业领域的大模型、机器学习、知识图谱
的参考架构、系统要求、性能要求、测试方法、数据训练及
生成内容评价等
通用要求标准;
面向工业领域重点行业及典
型场景的模型、算法、知识及系统的集成、部署、应用、管
理和运维等
服务应用标准
。
(
2
)大数据标准
主要包括面向工业领域数据的分类分级、命名规则、描
述与表达、确权规则等
元数据与数据字典标准
;智能制造领
域各类对象的标识规则、解析规范、异构标识互操作等
标识
22
标准
;平台建设的要求、运维和检测评估等
数据平台标准
;
数据采集、分析、可视化、访问、管理等
数据处理标准
。
(
3
)云计算标准
主要包括工业云参考架构、工业云操作系统等
通用要求
标准
;面向工业云服务的服务协议、能力要求、计量指标、
效果评价等
服务质量标准
;面向数据管理、知识库接入、资
源配置等
资源共享标准
。
(
4
)边缘计算标准
主要包括应用于工业领域的边缘计算架构、边缘数据、
测试与评价等
通用要求标准
;边缘计算节点、边缘计算平台、
边缘操作系统等
计算能力标准
;边缘计算接口、边云协同等
互联互通标准
。
(
5
)数字孪生标准
主要包括工业领域数字孪生参考架构、功能和信息安全
等
通用要求标准
,数字实体构建与运行管理、数据分类与表
达、数据存储与处理等
数字实体标准
,测量感知、反馈控制
等
孪生互动标准
,面向行业及典型场景的预测仿真、优化控
制、可视化交互等
服务应用标准
。
(
6
)区块链标准
主要包括工业领域区块链参考架构、标识体系、目录寻
址、系统要求等
通用要求标准
;基于区块链的工业互联网平
台架构、工业数据存证等
平台管理标准
,面向行业及典型场
23
景的供应链管理、生产溯源、质量可信管理等
服务应用标准
。
下一步建设重点
人工智能标准。
推动工业领域大模型预训练、微调、推理、集成、部署等环节技术
要求,大模型性能测试与评估要求,生成内容评价与管理要求等工业大模型标准研制。
大数据标准。
推动智能制造过程中产品全生命周期的数据描述与表达、权限分配、
分类分级等元数据与数据字典标准研制;工业数据分析、可视化、访问、资源管理等数
据处理标准研制。
边缘计算标准。
推动边缘计算测试与评价、数据管理要求、应用指南等标准研制。
数字孪生标准。
推动性能评估及符合性测试等通用要求标准研制;面向行业及典型
场景的优化控制、可视化交互等服务应用标准研制。
6.
智能制造新模式标准
主要包括大规模个性化定制、智能运维服务、网络协同
制造、产销一体化运营及其他等
5
个部分,如图
10
所示。
主要用于实现产品与服务的融合、分散化制造资源的有机整
合和各自核心竞争力的高度协同,解决了综合利用企业内部
和外部的各类资源,提供各类规范、可靠的新兴模式问题。
24
图
10
智能制造新模式标准子体系
大规模个性化定制标准
主要包括通用要求、需求交互要
求、设计要求、生产要求等标准;
智能运维服务标准
主要包
括通用要求、数据接口、状态监测、故障诊断、寿命预测、
运维决策等标准;
网络协同制造标准
主要包括平台技术要求、
资源模型要求、协同经营管理、网络协同设计、网络协同生
产等标准;
产销一体化运营
主要包括运营总体架构、平台技
术要求、数据分类规范等标准;
其他
主要包括上述四类以外
的智能制造新模式的通用要求和服务交付等标准。
25
下一步建设重点
智能运维服务标准。
推动状态检测、寿命预测、运维决策等标准研制。
网络协同制造标准。
推动平台技术要求、网络协同生产等标准研制。
产销一体化运营标准。
推动运营总体架构、平台技术要求等标准研制。
7.
工业网络标准
主要包括工业无线网络、工业有线网络、工业网络融合
和工业网络资源管理等
4
个部分,如图
11
所示。主要用于
满足智能制造环境中低时延、高可靠等网络需求,实现工业
网络架构下不同层级和异构网络之间的组网,规范网络地址、
服务质量、无线电频率等资源使用技术要求及网络运行管理,
涉及无线电频率使用的,还应当符合相关频率使用规划和有
关政策规定,以及无线电发射设备射频技术指标等要求。
图
11
工业网络标准子体系
工业无线网络标准
主要包括无线局域网(
WLAN
)、无
线可寻址远程传感器高速通道(
WirelessHART
)、用于工厂
自动化
/
过程自动化的工业无线网络(
WIA-FA/PA
)、窄带物
联网(
NB-IoT
)、
5G
应用、北斗应用等标准。
工业有线网
26
络标准
主要包括现场总线、工业以太网、工业无源光纤网络
(
xPON
)、工业综合布线、单对线以太网等标准。
工业网
络融合标准
主要包括确定性网络(
DetNet
)、时间敏感网络
(
TSN
)、信息技术
/
运营技术(
IT/OT
)融合、异构网络间
互通、
IPv6+
、高可靠组网等标准。
工业网络资源管理标准
主要包括网络地址管理、网络频谱管理、网络智能运维等标
准。
下一步建设重点
工业无线网络标准。
推动
5G
应用、北斗应用等标准研制。
工业网络融合标准。
推动
IT/OT
融合、异构网络间互通等标准研制。
工业网络资源管理标准。
推动网络智能运维标准研制。
(三)行业应用标准
主要包括钢铁、有色金属、石化、化工、建材、汽车、
电力装备、船舶与海洋工程装备、轨道交通装备、航空航天、
轻工、纺织、电子信息及其他等
14
个部分,如图
12
所示。
发挥国家标准体系指导作用,结合行业特色,聚焦行业近
3
年亟待解决的问题,分析国家基础共性、关键技术标准适用
性,在选取适用基础共性、关键技术等国家标准基础上,确
保行业标准与国家标准的协调配套,提出细分行业拟制定标
准的重点研制方向,加快推动细分行业智能制造标准体系建
设。
27
图
12
行业应用标准子体系
1.
钢铁
针对钢铁行业流程长、工序界面多、生产体系复杂、单
/多基地管控模式多样等特点,围绕铁钢轧大工序边侧智能
工厂、单基地及企业多基地协同管控等,制定质量、物流、
能源环保、安全、设备等分层集成优化管控等规范或规程类
标准;围绕上料、生产、下料等环节,制定铁钢轧各工序的
生产过程智能化控制、辅助工序智能化、数字孪生及工序衔
接等规范或规程类标准;围绕质量缺陷检测、性能检验及工
序界面转运等场景,制定智能检测装备、工业机器人及无人
运输装备等智能装备类规范/规程/指南类标准;围绕新一代
信息技术应用,制定工业大数据平台、数据治理、检测方法、
评价模型、网络安全等规范/规程/指南类标准;制定面向行
业的智能工厂评价、能力评估等实施指南标准。
2.
有色金属
28
针对有色金属行业金属品种多、原料品质差异大、生产
工艺复杂、安全要求高、物流调度频繁等特点,围绕有色金
属行业采选领域的本质安全与资源集约、冶炼领域的清洁环
保与节能降耗、加工领域的质量稳定与柔性生产等对数字化
转型和智能化升级的实际需求,制定有色金属行业标识及数
据编码规范标准;制定智能控制及智能设备设施技术要求或
规范标准;制定数字化平台应用相关的数据采集、数据治理、
数据安全、大数据平台、工业网络、数字孪生、机理模型及
数据模型规范标准;制定面向行业的智能工厂评价、能力评
估等实施指南标准。
3.
石化
针对石化行业安全风险高、实控要求高、能源消耗大、
环保要求高等特点,围绕智能工厂总体建设,制定智能工厂
信息模型、参考架构等工厂设计规范标准;围绕新一代信息
技术应用,制定人工智能、数字孪生等新技术应用规范或规
程标准;围绕智能工厂核心业务,制定智能工厂运行、优化
控制、安全环保、仓储物流、设备管理、现场人员定位等规
范或规程标准;制定面向行业的智能工厂评价、能力评估等
实施指南标准。
4.
化工
针对化工行业生产易燃易爆有毒有害、行业细分领域多、
企业集中入园等特点,围绕基础化学原料、化工新材料、精
29
细化学品等细分领域,制定优化控制、安全环保、质量管控、
能源管理、仓储物流、设备管理等规范标准;围绕企业数字
基础设施、数据流通应用,制定工程数字化交付、新型工业
控制网络等技术应用规范标准;围绕产品定制、流程模拟、
操作优化等产品研发及工艺设计,制定产品知识图谱、物料
属性数据等规程标准;围绕化工园区高质量发展,制定公用
工程智慧监测管理、安全环保监测预警等管理规范标准;制
定面向行业的智能工厂建设、智能工厂评价、能力评估等实
施指南标准。
5.
建材
针对建材行业细分领域多、工艺差别明显等特点,围绕
水泥、玻璃、陶瓷等领域,制定工艺仿真、优化控制、质量
管控、能源管理、设备管理、仓储物流管理等规范标准;围
绕石灰石矿山、砂石骨料等非金属矿领域,制定智能矿山、
无人驾驶矿卡等规范标准;围绕无机纤维、混凝土及水泥制
品、墙体材料、防水材料等领域,制定智能工厂通用技术规
范标准;围绕新一代信息技术应用,制定基于人工智能的缺
陷检测、基于工业云的供应链协同等指南标准;制定面向行
业的智能工厂评价、能力评估等实施指南标准。
6.
汽车
针对汽车产业技术密集性强、零部件众多、产业链长、
细分车型种类较多、生产工艺过程复杂等特点,围绕智能赋
30
能技术在汽车设计研发、生产制造、物流供应链、营销、出
行服务及评价等方面,突出汽车冲压、涂装、焊装、总装四
大工艺特点,兼顾企业级和协同级内外智能制造应用场景,
制定基于数字孪生的汽车产品研发设计、试验验证、产线制
造及集成等规范标准;制定面向工厂规划仿真、工厂协同设
计、工程施工模拟、产线调试、工厂交付的生产制造相关的
技术要求及应用指南标准;制定用于产品及工厂评价的成熟
度诊断评估、智能工厂评价、供应链协同能力评估等实施指
南标准。
7.
电力装备
针对电力装备行业产品种类多、个性化定制以及运维需
求大等显著特点,围绕智能电网用户端及电动机等领域,制
定智能工厂建设指南标准和系统集成规范;制定制造过程数
字化仿真(加工过程、生产规划及布局、物流仿真)、资源
数字化加工、数字化过程控制、数字化协同制造、设备远程
运维、个性化定制、智能制造能力评估等实施指南标准。
8.
船舶与海洋工程装备
针对船舶制造智能化的内涵、描述和指标体系等不统一,
智能制造装备集成应用不规范,协同管控精细化程度不高,
数字化工厂建设目标不明确,新兴技术应用缓慢等问题,突
破船舶行业智能制造关键共性技术,加强智能装备研发、船
厂生产协同管控、数字化示范船厂建设以及
5G
等新兴技术
31
在船舶制造中的集成创新应用,形成船舶制造能力评价模型、
智能装备、智能工厂、供应链协同和远程检验等技术规范标
准。
9.
轨道交通装备
针对轨道交通装备行业多品种、小批量、新造与运维并
重、个性化定制等特点,围绕焊接、打磨、装配调试、物流
等典型业务场景智能工厂建设,制定智能装备检测认证、三
维模型应用规范、工业机器人接口及工艺技术要求等关键技
术标准;制定智能制造项目实施指南、高速动车组远程运维
等应用标准。
10.
航空航天
针对航空航天行业多品种、小批量、基于模型的研制模
式、设计制造多方协同等特点,围绕智能工厂、数字化车间
建设或升级改造,制定基于模型的数字化设计、基于云的协
同设计平台、适用于复杂工艺的生产线虚拟仿真和环境监测
方面的规范标准;制定基于工业大数据的生产过程状态预知
与优化应用规范标准。
11.
轻工
针对轻工行业细分领域多、工艺流程差别大、面向消费
者需求差异大等特点,围绕食品加工机械、皮革机械、缝制
机械、日用化工机械、造纸机械等轻工专用装备领域,制定
轻工机械互联互通、远程运维、能效状态检测与校准等规范
32
或指南类标准;围绕家电、家具、皮革、造纸、五金制品、
塑料制品、照明、食品等重点领域生产端,制定智能工厂设
计与运维、智能生产管控、质量在线检测与追溯等技术标准;
围绕家电、家具、钟表、照明电器等重点领域消费端,制定
智能家居、智能感知与交互、大规模个性化定制和服务、智
能产品运维服务等产品和技术标准。
12.
纺织
针对纺织行业总体离散型、局部流程型制造的特点,围
绕纺纱、化纤、织造、非织造、印染、服装及家纺等领域,
制定专用装备的互联互通、信息模型、远程运维技术要求等
规范或指南标准;制定数字化车间或智能工厂建设过程中的
数据、物流仓储、系统集成等规范或规程标准;制定大规模
个性化定制等新模式应用规范或指南标准。
13.
电子信息
针对电子信息制造行业技术复杂性高、产品迭代快、多
品种小批量特征明显、产品个性化和定制化需求增长快等特
点,围绕电子元件及电子专用材料、电子器件、信息通信产
品和系统、智能消费设备、锂电池等领域的生产和加工,制
定专用智能装备和系统的信息模型、互联互通要求等标准规
范;制定柔性生产线、数字化车间、智能工厂的建设指南、
系统集成、智能生产管控、质量在线检测与追溯等标准;制
定个性化定制、远程运维、供应链协同等应用指南标准。
33
14.
其他
食品行业重点面向乳品饮料、酿酒、冷冻食品、罐藏食
品等领域,制定智能工厂设计、酿造灌装、工艺决策、远程
运维、标识解析等标准。农业机械、工程机械行业重点制定
大规模个性化设计、智能运维服务监测等标准。印刷行业重
点制定印刷柔性化工艺流程设计、系统间信息交互等标准。
民爆行业重点制定关键工艺装备状态监控、运维要求等标准。
光伏行业重点制定数据通信、信息安全、信息标识及智能工
厂、智慧供应链等标准。
五、组织实施
加强统筹协调。
在工业和信息化部、国家标准化管理委
员会的指导下,充分发挥国家智能制造标准化协调推进组、
专家咨询组和总体组的作用,加强智能制造标准体系顶层规
划与智能工厂培育、智能制造系统解决方案揭榜挂帅、智能
制造标准应用试点等工作的协同,推动优秀实践成果的标准
化沉淀。
加
快
标准研制。
充分利用多部门协调、多标准化技术组
织协作等机制,统筹产学研用各方力量,探索标准攻关新方
法,鼓励企业积极参与,基于实践提出具有自主知识产权标
准项目,加强关键技术和行业应用标准预研和试验验证能力,
加快早期重点标准修订,减少标准交叉重复,提升标准有效
供给。
34
加强标准应用。
持续开展智能制造标准应用典型案例
遴
选,培育一批标准实践行业标杆,加大优秀成果的宣传推广
力度,充分发挥地方主管部门和行业协会组织作用,开展面
向行业、地方的贯标行动,加强标准的宣贯和培训,构建面
向典型应用场景标准群,鼓励产业链上下游企业、中小企业
开展对标行动,提升企业标准应用能力。
实施动态更新。
建立标准研制与应用反馈机制,
挖掘
智
能制造技术和产业发展标准化需求,解决智能制造发展新问
题,做好智能制造标准体系规划建设,适时修订《国家智能
制造标准体系建设指南》,推动更多行业开展行业智能制造
标准体系研究,鼓励企业开展智能制造标准体系建设,充分
发挥智能制造标准体系支撑引领作用。
加强国际合作。
定期举办智能制造标准化国际论坛,积
极参与国际标准化组织(
ISO
)、国际电工技术委员会(
IEC
)
、
国际电信联盟(
ITU
)等组织的国际标准化活动,积极贡献
中国方案。深化中德、中法、金砖、“一带一路”等多双边
合作机制,加强智能制造领域的国际标准合作。